| Start
Experimente
Grundlagen
Produkte
- ES-M32
-- Erster Test
-- USB
-- Bascom
-- RAM
-- ADC
-- Ports
-- Relais -- Morsen -- Datenlogger -- SIOS -- ASCII -- mV-Logger -- I/O12/24 V -- Bootloader
Neues
Neues
Impressum
|
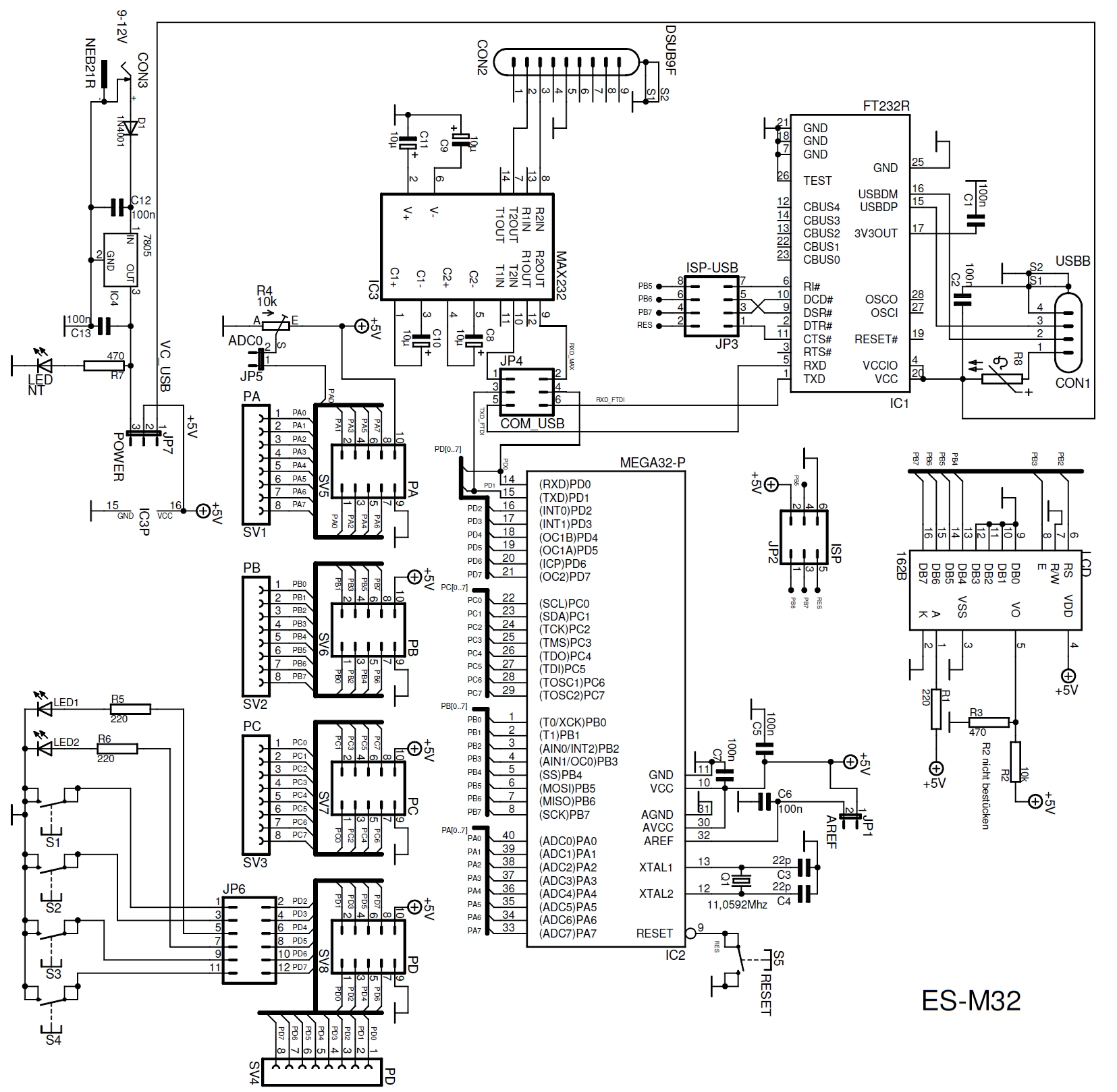
ES-M32
Entwicklungs- und Ausbildungssystem
für ATmega32

Bei Modul-Bus wurde
lange
überlegt: Noch ein ATmega-System? Es gibt doch schon so viele.
Dann haben wir uns doch dafür entschieden. Ausschlaggebend
waren
folgende Überlegungen:
Es gibt eine Reihe von Entwicklungssystem rund um die 8051er Familie:
ES51, ES52-Flash, ES535. Diese wurden oft auch für den
internen
Gebrauch, also für kundenspezifische Entwicklungen verwendet.
Inzwischen hat sich der Schwerpunkt jedoch mehr in Richtung AVR
verschoben. Neuere Entwicklungen verwenden überwiegend ATmega
und
ATtiny. Und wir wollen weiterhin auch den Bereich Ausbildung
unterstützen. Das System soll also vor allem auch für
Schulen
und Unis und für ein Studium an einer
Fernschule praktikabel sein. Das System
sollte daher preiswert und einfach zu programmieren sein. Hier werden
daher Anwendungsbeispiele in Bascom
vorgestellt.
ATmega
Deshalb haben wir uns überlegt, was könnte man noch
besser
machen, welche Eigenschaften braucht so ein System, damit es
möglichst bequem und universell einsetzbar ist. Dabei kamen
folgende Elemente heraus:
Gewählt wurde der Mega32, weil er noch im
DIL40-Gehäuse
geliefert wird, genügend Ports hat und auch sonst für
die
meisten Anwendungen ausreicht. Man kann aber auch den Mega16 oder den
Mega644 mit mehr Speicher und zusätzliche Peripherie
verwenden.
Das System hat ein LCD und einige Tasten, damit es sofort einsetzbar
ist. Eine typische Anwendung wäre z.B. das Bedienteil eines
autonomen Kurzwellenempfängers.
Alle Ports sind über Pfostenstecker (kompatibel zum STK500)
und
über einreihige Anschlüsse am Rand
zugänglich. Ein
großes Rasterfeld ermöglicht den Anschluss
zusätzlicher
Peripherie.
Schnittstellen
Das System verfügt über eine RS232 und über
einen
USB-Anschluss. Ein FT232R auf dem Board dient als USB/Seriell-Umsetzer.
Man kann über Jumper auswählen, ob die Leitungen RXD
und TXD
des Controllers zum USB oder zur RS232 verbunden sind.
Die Stromversorgung kann wahlweise vom USB oder von einem separaten
Netzteil kommen. Die USB-Betriebsspannung ist über eine
Polyswitch-Sicherung geschützt, damit auch bei einem Fehler
keine
Gefahr für den PC besteht.
Auch für die Programmierung des ATmega gibt es zwei
Schnittstellen. Der sechspoliger ISP-Anschluss ist kompatibel zum
STK500 bzw. zum ISP mkII von Atmel. Alternativ kann das System auch
über ein spezielles Programmiertool von Modul-Bus
über den
USB-Anschluss programmiert werden, das in Kürze vorgestellt
wird.
Eigentlich braucht man nur noch ein USB-Kabel für
Stromversorgung,
Programmierung und serielle Kommunikation mit dem System. Wenn aber
andere Anschlüsse benötigt werden sind sie schon
vorhanden.
Periperie
Auf dem Board befinden sich zwei LEDs und vier Taster, die man
wahlweise über Jumper mit den Ports verbinden kann. Auch die
beiden PWM-Ausgänge des Mega32 können direkt die
LED-Helligkeiten steuern. Außerdem gibt es ein Poti, das eine
einstellbare Spannung über einen Jumper an einen Analogeingang
liefert. Zusammen mit dem LCD lassen sich deshalb bereits viele
Testprogramme ohne zusätzliche Hardware ausführen.
Geplant ist, dass hier in ELEXS laufend über praktische
Anwendungen des Systems berichtet wird. Der Schwerpunkt liegt dabei auf
Bascom-AVR, weil dieser Basic-Compiler den leichtesten Einstieg
verspricht.
Anwendungen
Was man mit einem ATmega erreichen kann, zeigen zahlreiche Beispiele
fertiger Geräte der Firma Modul-Bus. Inzwischen ist es
Standard, neue Geräte mit einem Controller von Atmel
auszurüsten. Ein typisches Beispiel ist der LED-Controller.
Alles was gebraucht wird, ist in einem ATmega32 enthalten: Serielle
Schnittstelle, Port, Timer und mehr. In diesem Fall werden bis zu 24
PWM-Ausgänge benötigt. Der Controller hat zwar
mehrere Timer-gesteuerte PWM-Ausgänge als
Hardware-Blöcke. Für 24 Ausgänge musste
jedoch eine andere Lösung gesucht werden. Die PWM-Signale
werden daher per Software und Timer-Interrupts erzeugt. Die Firmware
wurde komplett mit Bascom entwickelt.
|
Siehe auch: Bootloader für Bascom: www.elektronik-labor.de/AVR/Bootloader.html
Das
ES-M32 im Online-shop

|