
Ausgabe 25, September 1999
Sensoren müssen nicht teuer sein. Am 28./29.5.99 fand in Bottrop eine Tagung zum Thema "Einfache Sensoren" statt. Ziel war es, möglichst viele einfache Sensoren zu erproben, die sich ohne großen Aufwand selbst herstellen lassen.
Egal ob mit der ZELLE außerhalb der Schule gemessen werden soll, oder ob mit dem SIOS im Labor gearbeitet wird, die hier vorgestellten Sensoren passen an beide Geräte. Unterschiede betreffen den Meßbereich (Zelle: 0...2,5V, CompuLAB und SIOS: 0...5V) und die Referenzspannung. CompulaB und SIOS verwenden die Versorgungsspannung von 5 V als Referenz. Die Zelle hat eine eigene Referenz von 2,5 V, die maximal mit 0,5 mA belastet werden darf. Höhere lasten sind zwar nicht schädlich, führen aber zu einer Verfälschung von Messungen.
Unter den einfachen Sensoren kann man drei Gruppen unterscheiden: Sensoren, die ihren Widerstand bzw. ihre Leitfähigkeit verändern, Sensoren, die eine Spannung abgeben und aktive Sensoren mit Transistoren. Sensoren, die eine hohe Verstärkung erfordern und nicht ohne Operationsverstärker auskommen, sollen hier nicht beschrieben werden. Es geht vielmehr darum, möglichst einfache Schaltungen direkt an das Interface anzuschließen oder mit einem kleinen Stück Experimentierplatine auszukommen.
1. Widerstands-Sensoren
Einer der einfachsten Sensoren ist der LDR-Widerstand. Er verändert seinen Widerstand zwischen etwa 1 M bei Dunkelheit und 1 k bei hellem Licht. Zum Anschluß an den Spannungseingang eines Interfaces oder Meßgeräts verwendet man einen Spannungsteiler. Der Festwiderstand kann an den Meßbereich angepaßt werden. Wenn vorwiegend bei geringer Hellibkeit gemessen werden soll, kann statt 10 k ein Widerstand mit 100 k oder mehr eingesetzt werden.

Abb.1 Sensoren in Spannungsteilerschaltung
Genauso einfach ist der NTC-Widerstand einzusetzen. Ein NTC mit 10 k bei 25 °C sollte mit einem Festwiderstand von ebenfalls 10 k verwendet werden. Dann ergibt sich die beste Empfindlichkeit und eine angenähert gerade Übertragungskennlinie im Bereich der normalen Lufttemperatur. Wer einen NTC mit 4,7 k verwendet, sollte entsprechend einen Festwiderstand mit 4,7 k nehmen.
Natürlich kann auch ein einfaches Potentiometer bereits als Sensor eingesetzt werden. Es eignet sich zur Erfassung von Winkeln oder Strecken. Mit einer Seilscheibe läßt sich die Achse über ein Seil drehen. Interessante Anwendungen ergeben sich bei Schwingungsmessungen.
Die Fotodiode ist kein Widerstandssensor, sondern ein Stromsensor, wenn sie in Sperrichtung betriebene wird. Der Sperrstrom ist über weite Bereiche streng proportional zur Lichtintensität. Mit einem einfachen Arbeitswiderstand erhält man einen linearen Lichtsensor. Mit 10 k ist der Sensor für große Helligkeiten ausgelegt. Die Fotodiode BPW34 hat eine große bestrahlungsempfindliche Fläche und damit eine gute Empfindlichkeit. Statt einer echten Fotodiode kann man auch mache Zenerdioden einsetzen, die seitlich bestrahlt werden müssen. LEDs arbeiten ebenfalls als Fotodioden. Allerdings sind die modernen, superhellen LEDs nicht mehr geeignet, wohl aber Infrarot-LEDs, die besonders empfindlich auf Licht reagieren. Sie werden übrigens in Gabel-Lichtschranken eingesetzt, wie man sie manchmal aus ausgedienten Diskettenlaufwerken ausbauen kann.
Statt der Fotodiode kann auch ein Fototransistor wie der BP103 verwendet werden. Man erreicht damit eine sehr viel höhere Empfindlichkeit. Die Übertragungskennlinie ist allerdings nicht mehr linear. Fototransistoren findet man ebenfalls in Gabel-Lichtschranken. Wenn die Anschlüsse nicht bekannt, sind, kann man sie mit der vorliegenden Schaltung leicht experimentell ermitteln.
Eine kleine Glühlampe ist ein brauchbarer Sensor für Luftströmungen, wenn man vorsichtig ihren Glaskolben entfernt. Der Glühdraht erhöht seinen Widerstand mit der Temperatur. Im Betrieb soll der Glühfaden durch einen Strom auf etwa 50-100 °C erhitzt werden. Jede kleine Luftströmung führt zu einer Abkühlung, die den Drahtwiderstand verringert und den Strom erhöht. Die Schaltung nimmt eine Sonderrolle ein, weil sie relativ viel Strom benötigt. Bei der ZELLE kann daher nicht die Referenzspannung verwendet werden, sondern die Betriebsspannung von ca. 5 V.

Abb. 2 Eine Glühlampe als Luftströmungssensor
2. Sensoren als Spannungsquellen
Sensoren, die eine Spannung abgeben, benötigen meist keine Hilfsspannung vom Interface. Alle Fotodioden können auch als Spannungsquellen eingesetzt werden. Sie arbeiten dann ähnlich wie eine Fotozelle. Die höchste Spannung ist etwa 0,5 V bei vollem Sonnenlicht. Durch Reihenschaltung kann man die Meßspannung und die Empfindlichkeit der Messung erhöhen. Die Spannung ist nicht proportional zur Helligkeit, sondern bildet eine logarithmisches Maß der Helligkeit. Man kann daher über viele Zehnerpotenzen messen. Bei geringer Helligkeit wird die Spannungsquelle sehr hochohmig, so daß es zu Störungen durch den Meßeingang kommt. Ein kleiner Kondensator verbessert die Messungen bei kleiner Helligkeit. Allerdings funktioniert das nur an der ZELLE mit ihrem extrem großen Eingangswiderstand.

Abb. 3 Sensoren, die Spannung abgeben
Jeder Gleichstrommotor eignet sich als Sensor für die Drehgeschwindigkeit. Man kann sehr einfach Sensoren für die Windgeschwindigkeit aufbauen. Besonders geeignet sind leichtlaufende Motoren mit mehrpoligen Ankern, wie sie in Kassettenrecordern verwendet werden.
Als Sensor für magnetische Wechselfelder eignet sich im Prinzip jede Spule. Man kann untersuchen, welche Störfelder an Transformatoren oder Monitoren auftreten. Für eine gute Empfindlichkeit benötigt man Spulen mit etwa 1000 Windungen und Eisenkern. Die Spule gibt eine Wechselspannung ab, von der an den verwendeten Interfaces jeweils nur die positive Halbwelle sichtbar wird.
Einfache Piezo-Schallgeber eignen sich hervorragend als Sensoren für Kräfte und Schwingungen. Die abgegebene Spannung erreicht Werte von einigen Volt, wenn man einen vorsichtigen Druck mit dem Finger ausübt. Die Gleichspannung am Sensor ist wie bei einem Kondensator unbestimmt. Für eine sinnvolle Messung muß daher mit einem hochohmigen Spannungsteiler eine Vorspannung erzeugt werden. Der Sensor funktioniert am besten an der ZELLE mit ihnen hochohmigen Eingängen.
3 Aktive Sensoren
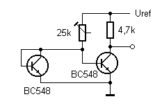
Transistoren eignen sich auch zur Temperaturmessung. Abb. 4 zeigt eine Schaltung zur Messung von Differenztemperaturen. Mit dem Poti kann man zunächst die Ausgangsspannung auf den halben Meßbereich einstellen. Jedes Ungleichgewicht in den Transistortemperaturen führt dann zu einer deutlichen Spannungsänderung.

Abb. 4 Transistoren als Sensoren für Temperaturdifferenzen
Ein einzelner Transistor kann als einfacher Sensorverstärker eingesetzt werden. Ein sinnvoller Einsatz ergibt sich z.B. bei der Verstärkung von Induktionsspannungen zur Magnetfeldmessung. Auch eine weniger geeignete Spule wird mit diesem Verstärker zu einem brauchbaren Sensor für magnetische Wechselfelder.

Abb. 5 Ein einfacher Sensorverstärker für Induktionsspannungen
Auch elektrische Felder und Ladungen lassen sich relativ einfach messen. Zwei Transistoren in Darlingtonschaltung erreichen eine Stromverstärkung von ca. 30000. Damit läßt sich ein empfindlicher Ladungsverstärker aufbauen. Ein einfacher Versuch zeigt die Aufladung durch Reibung. Man berührt den Eingang mit dem Finger und bewegt seine Füße. Mit jedem Schritt zeigt sich dann ein Ausschlag. Die beobachtete Ladungstrennung ist abhängig vom Material der Schuhe und des Bodenbelags.

Abb. 6 Ein Sensorverstärker für elektrische Ladungen