| Start
Experimente
- KW-Detektor
- Rückkopplung
- Röhrenradio
- C-Messung
- Kerzenradio
- Vierfachdrehko
- China-Besuch
Grundlagen
Produkte
Neues
Impressum
|
Der Vierfach-Drehko

Wer in
alten Radio-Bastelbüchern blättert findet oft Schaltungen mit
einem 500-pF-Drehko. Diese Kapazität war Standard in der
Anfangszeit der Radiotechnik.
Inzwischen hat sich die Technik geändert. Dank besserer Ferrite
tendiert man heute zu mehr Induktivität und weniger
Kapazität. Die Drehko-Kapazitäten werden also immer kleiner.
Das bedeutet, dass Drehkos mit 500 pF teure Spezialtypen sind. Der neue
Vierfach-Drahko bei Modul-Bus ist dagegen ein Standardmodell aus der
Massenfertigung. Man kann schätzen, dass genau dieser Drehko in
fast 50% aller Radios weltweit sitzt. Er ist deshalb trotz der
komplizierteren Technik preiswert. Insgesamt sind vier Drehkos und vier
Trimmer eingebaut. Im UKW-Teil liegen die Trimmer parallel zu den
Drehkosegmenten. Im AM-Teil haben die Trimmer eigene Anschlüsse,
man kann sie also wahlweise verwenden. |


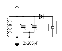
| Wer eine
Schaltung für einen 500-pF-Drehko nachbauen will kann beide
AM-Drehkos parallel schalten. Die Gesamtkapazität beträgt
dann C = 265 pF + 265 pF = 530 pF. |


| Der eingebaute zweifache
UWK-Drehko mit je 20 pF und parallel geschaltetem Trimmer erlaubt
weitere Anwendungen. Außer dem eigentlichen Einsatzzweck in einem
UKW-Empfänger lassen sich die kleinen Drehkos in
Kurzwellenempfängern mit Bandspreizung verwenden. Ein Beispiel:
Mit einem Parallelkondensator von 100 pF erhält man ein
Kapazitätsverhältnis von 1 : 1,2 . Das
Frequenzverhältnis ist dann ca. 1 : 1,1. Ein Empfänger
könnte z.B. den Bereich 5,8 MHz bis 6,35 MHz
überstreichen. Das 49-m-Band ist damit über den
gesamten Bereich gespreizt. |

|