| Start
Experimente
- XR2206 1
- FET-Verst.
- TDA2002
Grundlagen
Produkte
Neues
Impressum
|
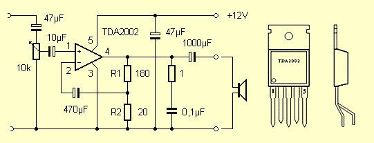
Leistungsverstärker TDA2002
Ausgangsleistung für den Funktionsgenerator
| Der Sinusgenerator könnte für manche Anwendungen
etwas mehr Leistung gebrauchen. Deshalb wird hier ein einfacher Ausgangsverstärker
vorgestellt, der sich natürlich auch für andere Anwendungen wie
Aktivboxen oder ähnliches eignet. Die hier vorgestellte Schaltung
hat eine Ausgangsleistung von ca. 5 Watt an 4 Ohm und eine Spannungsverstärkung
von 10. |

| Der integrierte
Verstärker TDA2002 wurde ursprünglich als Lautsprecherverstärker
in Autoradios entwickelt. Das IC wurde bei Modul-Bus auch als digitaler
Leistungsausgang eingesetzt. Inzwischen werden dafür andere Treiber
verwendet. Deshalb findet man den TDA2002 preiswert im Online-Shop von
AK-Modul-Bus.
Die Schaltung des Verstärkers erinnert an einen Operationsverstärker.
Ein entscheidendender Unterschied ist aber, dass die Eingänge kein
Gleichspannungssignal bekommen dürfen, da die Vorspannung intern erzeugt
wird.

Die Verstärkung des TDA2002 kann extern über den Spannungsteiler
R1/R2 eingestellt werden. Ursprünglich wurde das IC für eine
Verstärkung von 100 entwickelt. Versuche haben gezeigt, dass man eine
Verstärkung von 10 nicht wesentlich unterschreiten darf, da sonst
Eigenschwingungen einsetzen. Ein zusätzliches Dämpfungsglied
1 Ohm / 0,1 µF dient ebenfalls zur Sicherstellung der Stabilität
und verhindert hochfrequente Eigenschwingungen. Da Leistungsverstärker
insgesamt eine sehr hohe Stromverstärkung benötigen, sind immer
besondere Maßnahmen zur Verhinderung ungewollter Schwingungen erforderlich.
|

Eigenschwingungen bei ca. 1 MHz
| Für die Aufgabe als Nachverstärker für
einen Funktionsgenerator muss auf einen geeigneten Frequenzgang geachtet
werden. Da der Generator bis herunter zu 100 Hz arbeitet, muss die untere
Grenzfrequenz ausreichend niedrig sein. Dies erreicht man durch große
Koppelkondensatoren.
Während sich durch den Frequenzgang bei Sinussignalen nur die Amplitude
ändert, erkennt man bei anderen Kurvenformen, dass unterschiedliche
Frequenzanteile unterschiedlich verstärkt werden. Die untere Grenzfrequenz
lässt sich leicht mit einem Dreiecksignal beurteilen. Wenn aus den
Dreiecken Haifischzähne werden, sollten größere Kondensatoren
eingesetzt werden. Noch deutlicher wird der Effekt bei Rechtecksignalen.
Aus geraden Abschnitten werden hier Abschnitte von Entladungskurven.
|

Verzerrungen durch den Frequenzgang

Ein Rechtecksignal nach einem RC-Glied
| Die gezeigten Effekte treten nur am unteren Frequenzbereich
sichtbar auf, während Signale um 1 kHz unverändert übertragen
werden. Mit einem Oszilloskop und einem Funktionsgenerator lässt sich
also grundsätzlich der Frequenzgang eines Verstärkers beurteilen.
Wenn es dabei um Audioverstärker geht, sollte man bei der Beurteilung
bedenken, dass das Oszilloskop hier wesentlich strenger ist als das menschliche
Ohr. Die gezeigten Oszillogramme gehören also noch zu durchaus brauchbaren
Frequenzgängen für Audio-Anwendungen.
Nicht tolerierbar sind dagegen nichtlineare Verzerrungen, die z.B. durch
Übersteuerung des Verstärkers entstehen. Denn dabei entstehen
neue Frequenzanteile, die ursprünglich nicht zum Eingangssignal gehörten.
|

Übersteuerung mit einem Dreiecksignal
Das Prinzip des Leistungsverstärkers: Grundlagen
des Gegentaktverstärkers
|