| Start
Experimente
- Ultraschall
- Direktmischer - Vorverstärker
Grundlagen
Produkte
Neues
Impressum
|
Ultraschall-Direktmischer

Entry to the 555 contest: Ultrasonic direct-conversion receiver A 40 kHz signal from an
ultrasonic transducer is converted down to the audio band. A NE555 works
as oscillator and switching mixer. The discharge NPN transistor in the
device shorts the 40 kHz signal periodically at the beat frequency. Thus
the signal is converted to the audio frequency around 1 kHz. A 40 kHz
source for the transmitter is also using a 555. One can hear the Doppler
effect on moving objects. With some more amplification one can also
listen to bats.
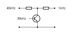
40 kHz kann man nicht hören. Deshalb wird
ein Direktmischer gebraucht, der die empfangenen Signale in den hörbaren
Bereich heruntermischt. Hier wird ein Timer 555 als Mischer und einstellbarer
Oszillator eingesetzt. Stellt man den Oszillator z.B. auf 39 kHz ein,
dann erscheint das Empfangssinganal bei 40 kHz - 39 kHz = 1 kHz. Am
Ausgang kann ein Kopfhörer oder ein Lautsprecherverstärker
angeschlossen werden.
|

| Dass ein 555-Timer als Mischer eingesetzt wird,
ist eher ungewöhnlich. Aber es funktioniert sehr gut. Das Prinzip
beruht auf einem schaltenden Mischer mit dem internen Transistor mit
offenem Kollektor am Discharge-Anschluss des 555. |

| Stellen Sie den Sender neben dem Empfänger
auf und stimmen Sie die Oszillatorfrequenz ab. Sie kann unterhalb
oder oberhalb der Sendefrequenz stehen oder auf Schwebungsnull
eingestellt werden. In jedem Fall hört man die Differenzfrequenz.
Stellen Sie den Ton auf eine gut hörbare Frequenz ein. Ein
Direktmischer wird auch zum Empfang unmodulierter Morsesender
verwendet. Setzen Sie eine Morsetaste an den Sender, dann können
bereits drahtlos Nachrichten übertragen werden. Das ist sogar
völlig legal. |

| Setzen Sie einen Verstärker am Ausgang des
Empfängers ein. Nun lassen sich zahlreiche Versuche
durchführen. Untersuchen Sie die Reflexion des Schallsignals an
Gegenständen. Denkbar ist der Einsatz bei der Erkennung von
Hindernissen für ein Roboter-System. |

Führen Sie Versuche zum Doppler-Effekt
durch. Wenn Sie den Sender bewegen, ändert sich die Frequenz
deutlich hörbar. Aus der Frequenzänderung kann man auf die
Geschwindigkeit schließen. Das ist bereits der grundlegende
Aufbau für eine Geschwindigkeitsmessung nach dem Radar-Prinzip.
|
|