Start

Experimente

Grundlagen

Produkte
- DDS
- NE612
- Doppelsuper
- PLL-Clock
- Eichmarken
- Rauschen
- DRM 49 m
- ICS307-2
- ICS501

Neues

Impressum

DRM-Doppelsuper mit zwei Transistoren

Der Clock-Generator kann mehrere Frequenzen gleichzeitig erzeugen und bietet damit ideale Voraussetzungen für einen Doppelsuper. Hier soll einen möglicht einfacher DRM-Empfänger für das 49-m-Band entwickelt werden. Ziel ist es ganz ohne Spulen auszukommen und die einfachsten möglichen Mischer einzusetzen.

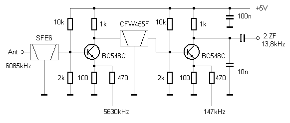
Das Schaltbild zeigt zwei einfache Transistor-Mischer mit dem BC548C. Das Oszillatorsignal wird am Emitter zugeführt. Durch die Emitter-Gegenkopplung erhält man eine gute Großsignalfestigkeit bei relativ geringer Verstärkung. Jeder der beiden Mischer arbeitet wie ein linearer HF-Verstärker, der durch das Oszillatorsignal periodisch gesperrt wird. Am Kollektor entsteht das Mischprodukt. Am Eingang sorgt ein 6-MHz-Keramikfilter (erhältlich bei Reichelt) für eine gute Spiegelunterdrückung. Das steilflankige ZF-Filter auf 455 kHz liegt zwischen beiden Mischern.

Im Schaltbild sind die Frequenzen für die DRM-Station BR2 auf 6085 kHz angegeben. Der erste Mischer erhält ein Oszillatorsignal von 5630 kHz. Damit entsteht die erste ZF mit 6085 kHz-5630 kHz = 455 kHz. Will man eine andere Station im 49-m-Band empfangen muss nur der erste Oszillator neu eingestellt werden. RTL-DRM auf 6095kHz erfordert z.B. die Frequenz 5640 kHz. Allgemein rechnet man hier Eingangsfrequenz - 455 kHz.

Der zweite Oszillator sollte im Idealfall 12 kHz unter 455 kHz liegen. Allerdings ist man in der Wahl der Frequenz nicht ganz frei. Da die interne PLL schon für den ersten Oszillator benötigt wird, muss das zweite Signal durch Teilen aus der Quarzfrequenz 10 MHz erzeugt werden. Leider bringen die Teilerverhältnisse 21, 22 und 23 nur die ungünstigen Frequenzen 476,19 kHz, 454,55 kHz und 433,78 kHz. Deshalb wurde hier die Obertonmischung angewandt. Mit einem Teilerverhältnis von 68 erhält man ein Signal mit 147,059 kHz. Rechtecksignale enthalten alle ungeraden Vielfachen der Grundfrequenz. Mit 147,059 * 3 = 441,177 kHz mischt sich die erste ZF von 455 kHz auf eine zweite ZF von 13,823 kHz herunter, die von DREAM dekodiert werden kann. Die Mischverstärkung wird zwar durch die Obertonmischung geringer, reicht aber noch für den Line-In-Eingang der Soundkarte aus.

Die Frequenzen werden mit Cyberclocks festgelegt. Die Einstellungen für die Empfangsfrequenz 6085 kHz können hier geladen werden. Die Übertagung über die COM-Schnittstelle erfolgt mit Clock.exe. Will man andere Kanäle empfangen kann der erste Oszillator mit Clock.exe verändert werden.

Das Foto zeigt den Probeaufbau auf einer Steckplatine. Trotz des gesteckten Aufbaus und der einfachen Mischer konnten zahlreiche DRM-Sender im 49-m-Band empfangen werden. Das SNR reichte mit einer Langdrahtantenne teilweise bis 28 dB.

USB-Version

Der Glock-Generator ist auch als Blueberry-Board mit USB-Schnittstelle erhältlich. Dieses Starterkit-Board von Cypress kann bei AK MODUL-BUS bezogen werden. Die Empfängerschaltung kann direkt vom USB aus versorgt werden und ist dann unabhängig von einer eigenen Stromquelle.

Auf der Unterseite der Platine befindet sich ein kleiner USB-Controller, der den CY27EE16 über den I2C-Bus mit Daten versorgt. Beim ersten Verbinden des Boards wird ein HID-Treiber geladen, so dass keine spezielle Treiber-CD nötig ist. Die Programmierung erfolgt direkt mit Cyberclocks.