| Start
Experimente
Grundlagen
Produkte
- DDS
- NE612
- Doppelsuper
- PLL-Clock
- Eichmarken
- Rauschen
- DRM 49 m
- ICS307-2
- ICS501
Neues
Impressum
|
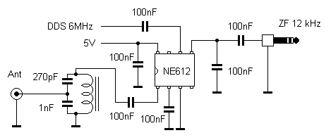
DDS-Direktmischer

| Für erste DRM-Empfangsversuche reicht ein Direktmischer
aus. Ein solcher Empfänger setzt die Eingangsfrequenz in einem Schritt
in die NF-Lage um, hat also keine Zwischenfrequenzstufen. Als Mischer eignet
sich z.B. ein NE612. Der DDS-Baustein bestimmt die Empfangsfrequenz. Der
Ausgangspegel der DDS passt gut zum Oszillatoreingang des NE612. Zur Kopplung
ist ein Kondensator erforderlich. |

| In einem ersten Versuch wurde der Prototyp des RTL-DRM-Empfängers
verwendet, der von der Zeitschrift Funkamateur als Bausatz herausgebracht
wurde (vgl. www.b-kainka.de/drm.htm)
. Statt des Quarzes wurde nun die DDS angeschlossen. Das Ergebnis ist ein
Empfänger, der im ganzen 49-m-Band frei abgestimmt werden kann. In
der DDS-Software muss Offset = 0 eingestellt werden, d.h. der Oszillator
liefert die angezeigte Frequenz ohne eine ZF-Ablage. Die Oszillatorfrequenz
wird dann jeweils 12 kHz oberhalb oder 12 kHz unterhalb der Empfangsfrequenz
eingestellt. So erscheint das DRM-Basisband mit 12 kHz Mittenfrequenz am
Ausgang. |

| Bei Abstimmen im 49-m-Band wurde zufällig gleich
eine neue Station gefunden. Bei der Einstellung 5963 kHz erschien ein nicht
invertiertes DRM-Signal. Die Empfangsfrequenz war also 5975 kHz. Hier sendete
die Deutsche Welle aus Wertachtal. Die Frequenz wurde in der Vergangenheit
vom Sender Jülich verwendet und war längere Zeit still.
|


| Der Direktmischer ist auch ein beliebtes Konzept
für einfache Amateurfunkempfänger. Mit der gleichen Schaltung
kann man sehr gut auch Amateurfunkstationen im 40-m-Band hören. Für
CW- und SSB-Empfang muss der DDS-VFO in 100- und 10-Hz-Schritten fein abgestimmt
werden,
Allein mit einem veränderten Eingangskreis kann jede andere Frequenz
im Kurzwellenbereich bis etwa 24 MHz empfangen werden. Man könnte
einen Drehko-abgestimmten Eingangskreis verwenden, um mehrere Amateurfunkbänder
zu hören.
|
|