| Start
Experimente
Grundlagen
Produkte
- DRM
- - DREAM
- - ZF-Filter
- - Prüfsender
- - AM+SSB
- - Antenne
- - Vorkreis
- - AGC
- - Aufbau
- - Parameter
- - Ferrit
- - Pegel
- - Aktivantenne
Neues
Impressum
|
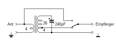
Abgestimmter Vorkreis

| Der DRM-Empfänger hat einen breitbandigen Eingang
ohne Spiegelfrequenzunterdrückung. In den meisten Fällen führt
das zwar nicht zu einer Beeinträchtigung des DRM-Empfangs, eine Vorselektion
verbessert jedoch vor allem die Eigenschaften in den Betriebsarten AM,
SSB und CW. Hier wird ein einzelner abgestimmter Schwingkreis verwendet.
Die Spule mit insgesamt 30 Windungen CuL 0,3 wurde auf einen 8 mm dicken
Kunststoffkörper aufgetragen und hat eine Anzapfung bei der vierten
Windung und zusätzlich eine Koppelspule mit ebenfalls vier Windungen.
Der Spulenkörper ist übrigens die Isolierhülse eines Bananensteckers. |

| Die Schaltung verwendet einen Umschalter. In der
oberen Stellung wird die Antenne direkt mit dem Eingang des Empfängers
verbunden. In der unteren Stellung wird der Schwingkreis wirksam. Durch
die Koppelspule erhält man zugleich eine galvanische Trennung zwischen
Antenne, Erde und PC. Damit werden Störungen gedämpft, die vom
eigenen PC und seinem Monitor ausgehen.
Für die Schaltung reicht ein einfacher Drehkondensator mit Polystrol-Isolation.
Ein passender Typ mit Befestigungsschrauben und dem passenden Drehknopf
wird im Online-Shop
von AK-MODUL-BUS angeboten. Es handelt sich um einen Doppeldrehko mit 240
pF und 80 pF mit zwei zusätzlichen Trimmkondensatoren. Hier wird nur
der Teil mit 240 pF verwendet. Der Trimmer muss ganz auf Null eingestellt
werden, um einen Abstimmbereich von 4 MHz bis 16 MHz zu erreichen.
|

| Der Vorkreis wurde zusammen mit dem Empfänger
in einem Plexiglasgehäuse montiert. Antenne und Erde werden über
4-mm-Buchsen angeschlossen. Der Drehkoknopf wurde mit einer einfachen Skala
versehen. So lassen sich die wichtigsten Frequenzen schnell und bequem
einstellen.
Die Antennen-Koppelspule kann leicht auf dem Spulenkörper verschoben
werden, um den Kopplungsgrad zu verändern. Eine losere Kopplung verbessert
die Trennschärfe, verkleinert aber den Signalpegel.
Die Spule wurde mit Absicht als Luftspule, also ohne Ferritkern ausgelegt,
weil so jeder beliebige Wickelkörper verwendet werden kann. Ein einfaches
Berechnungsprogramm für Luftspulen findet man im Internet unter www.b-kainka.de/bastel95.htm.
Wer den Vorkreis mit höherer Güte und damit besserer Selektion
betreiben will, sollte mit kleinerer Anzapfung z.B. bei der zweiten Windung
experimentieren.
|

Ein weiterer Schaltungsvorschlag: Pi-Filter-Antennenanpassung
von Wolfgang Hartmann Pifilter.pdf (147
KB)
zurück
weiter
|