| Start
Experimente
Grundlagen
Produkte
- DRM
- - DREAM
- - ZF-Filter
- - Prüfsender
- - AM+SSB
- - Antenne
- - Vorkreis
- - AGC
- - Aufbau
- - Parameter
- - Ferrit
- - Pegel
- - Aktivantenne
- - AM-ZF
- - Preselektor
Neues
Impressum
|
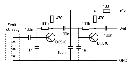
Breitband-Ferritantenne

| Auch auf Mittelwelle gehen laufend neue DRM-Stationen
an den Start, zuletzt der Sender Langenberg mit 10 kW auf 1593 kHz und
mit dem Programm WDR2-Klassik. Oft zeigt eine Langdrahtantenne keine optimalen
Ergebnisse auf Mittel- und Langwelle. Besser geht es mit einer magnetischen
Loop oder einer Ferritantenne.
Ferritantennen werden meist abgestimmt eingesetzt. Aber es geht auch
breitbandig, wenn ein Verstärker nachgeschaltet wird. Die Anpassung
ist optimal, wenn der induktive Widerstand RL = 2 Pi f L etwa der Eingangsimpedanz
des Verstärkers entspricht. Die hier vorgestellte Antenne mit 50 Windungen
auf einem Ferritstab von 8 cm Länge zeigt gute Ergebnisse vom VLF-Vereich
( z.B. DCF77 auf 77,5 kHz) bis zur Obergrenze des Mittelwellenbereichs
(1600 kHz). Es muss keine HF-Litze verwendet werden, sondern es reicht
einfacher Spulendraht. Mit nur etwa 10 Windungen kann auch der untere Kurzwellenbereich
bis ca. 8 MHz genutzt werden. Speziell für den VLF-Bereich bringen
200 Windungen bessere Ergebnisse. Wichtig ist in jedem Fall die elektrische
Abschirmung. Hier wurde eine Alufolie verwendet, die den Ferritstab ganz
umhüllt, aber keine Kurzschlusswicklung bildet.
|

| Zwei optionale Kondensatoren von 1 nF können
verwendet werden, wenn man speziell im Langwellenbereich arbeiten will.
Man vermeidet so Störungen durch Obertonmischung im Elektor-DRM-Empfänger.
Der Eingangsmischer des Geräts ist übrigens eigentlich nicht
für Frequenzen unter 1 MHz optimiert. Wegen der geringen Ausgangsimpedanz
der Verstärkerschaltung funktioniert es aber dennoch sehr gut sogar
unter 100 kHz. Ein weiterer Vorteil der abgeschirmten Ferritantenne ist,
dass man Störsignale oft durch Drehen der Antenne ausblenden kann.
|

| Die Antenne wurde in eine große Tic-Tac-Dose
eingebaut und über ein Flachbandkabel mit dem Antenneneingang verbunden.
Die Betriebsspannung wird direkt aus dem Empfänger entnommen. Der
Empfänger wird mit der ALC betrieben,
was besonders bei schwachen AM-Sendern Vorteile bringt.
Der DRM-Sender bei 1593 kHz kann nun den ganzen Tag über ohne Aussetzter
empfangen werden. Die Ergebnisse sind wesentlich besser als mit einer Langdrahtantenne
im Freien.
|

| Die Lang- und Mittelwellenbereich bietet noch weitere
interessante Möglichkeiten wie z.B. die AMSS-Textnachrichten von BBC
auf 548 kHz, die man DREAM lesen kann. Hier wird der Stationsname angezeigt,
wie man es sonst nur vom RDS auf UKW kennt. Außerdem erfährt
man, auf welchen Frequenzen das gleiche Programm in AM und in DRM abgestrahlt
wird. |

| Oft erreicht man bei AM-Sendern durch den Einsatz
moderner Software einen besseren Störabstand. Durch passende Wahl
der Filterbandbreite und leicht unsymmetrische Abstimmung kann man z.B.
Störträger ausblenden. Das Bild unten zeigt den Empfang eines
AM-Senders bei 675 kHz mit Dream. Die Störträger, in diesem Fall
Obertöne der Ablenkfrequenz des PC-Monitors, werden wirksam ausgeblendet.
So erreicht man einen guten Störabstand auch unter schwierigen Verhältnissen.
Fazit: Allgemein wird beobachtet, dass Stabantennen oder offene Ferritantennen
tragbarer Empfänger in Gebäuden keinen ausreichenden Störabstand
für sicheren DRM-Empfang erreichen. Eine abgeschirmte magnetische
Antenne mit Drahtschleife oder Ferritstab könnte die Lösung bringen.
Weil die Störungen im Gebäude meist als elektrische Störfelder
auftreten, lassen sich mit einer rein magnetischen Antenne bessere Ergebnisse
erzielen. Die Größe der Antenne spielt nur eine untergeordnete
Rolle, weil rauscharme Vorverstärker leicht zu bauen sind.
|

zurück
weiter
|