| Start
Experimente
- LED-Lampen 1
- LED-Lampen 2
- LED-Lampen 3
- PR4401-1
- PR4401-2
- PR4401-3
- PR4402 40 mA
- PR4403 Solar
- PR4101 12 V
Produkte
Neues
Impressum
|
LED-Lampen, Teil 2

| Die Konstantstromquelle
Die einfache LED-Schaltung mit einem Vorwiderstand reicht für viele
Fälle aus, hat aber einen Nachteil: Der Diodenstrom ist stark abhängig
von der Batteriespannung. Praktisch muss man für jede Spannung einen
eigenen Widerstand bestimmen. Dagegen hilft eine einfache Schaltung, die
Konstantstromquelle. Ihr Ausgangsstrom ist weitgehend unabhängig von
der Eingangsspannung und vom Spannungsabfall am Verbraucher. Hier sollen
Schaltungen gezeigt werden, die den Strom auf 20 mA stabilisieren. Es können
dann unterschiedliche Batterien angeschlossen werden, ohne dass sich die
Helligkeit der LED ändert
|

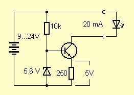
| Die erste Schaltung verwendet eine Zenerdiode zur
Stabilisierung einer Hilfsspannung von 5,6 V. Die Spannung am Emitterwiderstand
liegt um ca. 0,6 V niedriger. Der Emitterwiderstand bestimmt die Stromstärke.
Die Stabilisierung ist besonders gut, d.h. die Stromstärke ändert
sich nur geringfügig, auch wenn die Eingangsspannung sich sehr stark
ändert. Ein Nachteil ist aber der große Spannungsabfall von
mehr als 5 V. Bei einer LED mit 2 V wäre die kleinste Eingangsspannung
also 7 V.
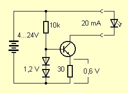
Man kann statt der Zenerdiode zwei Si-Dioden in Durchlassrichtung verwenden,
die dann die Basisspannung auf ca. 1,2 V stabilisieren. Die kleinste Eingangsspannung
beträgt dann für eine weiße LED mit Uf=3,5 V ca. 4 V.
|

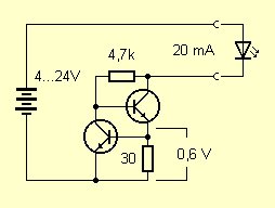
| Bei einer Zenerstabilisierung wird immer etwas Strom
"verschwendet". Wenn es auf einen sparsamen Umgang mit Batterien
ankommt, sollte man diesen Strom ebenfalls durch die LED leiten. Dies wird
in der folgenden Schaltung getan. Gleichzeitig werden die beiden Dioden
durch einen einzelnen Transistor ersetzt. Die Schaltung hat zwar eine etwas
schlechtere Stabilisierung, verzichtet dafür aber auf jede Ableitung
eines Hilfsstroms. |

| Ein weiterer Vorteil dieser Schaltung ist, dass man
den gesamten Strom auch durch Entfernen der LED abschalten kann, da es
sich um einen reinen Zweipol handelt. Die Schaltung verhält sich wie
ein Vorwiderstand, der seinen Widerstand automatisch der Spannung anpasst.
Eine zweipolige Fassung macht das Gerät zu einem idealen LED-Tester.
Die Stromstärke wird unabhängig von der eingesetzten Diode auf
ca. 20 mA gehalten.
Ein interessanter Versuch wäre die Messung der genauen Kennlinie.
Dazu misst man die Stromstärke bei Eingangsspannungen, die man z.B.
in 1-V-Schritten erhöht. Das Ergebnis kann grafisch dargestellt werden
und zeigt alle Eigenschaften wie Mindestspannung und Stabilisierungswirkung.
Der Prototyp wurde übrigens auf ein Stück Streifenrasterplatine
aufgebaut. Der Batterieclip stammt aus einer alten 9-V-Blockbatterie.
|

|