
| Start
Produkte |
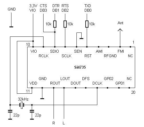
SI4735Integrierter AM/FM-Empfänger
![]() (Schaltplan Update 23.12.09: Pin 6 (SEN) an GND)
![]()
|