| Start
Experimente
Grundlagen
Produkte
- SI4735
- - 4 MHz
- - Software
- - Antennen
- - Hilfeseite
- - RDS
- - ES-M32
- - Heimradio
- - PCradio2
Neues
Impressum
|
SI4735
Externer Oszillator 4 MHz

|
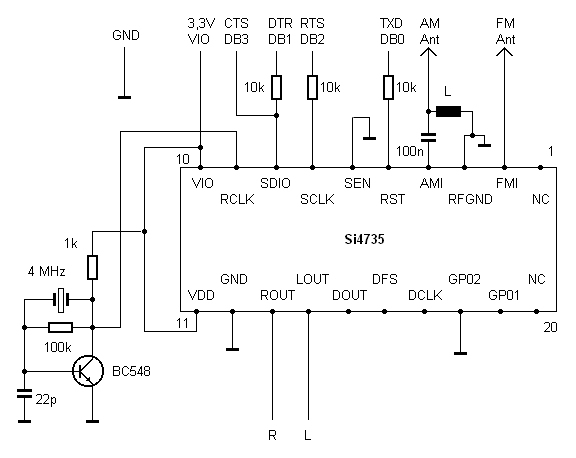
Der SI4735 arbeitet entweder mit einem
32-kHz-Uhrenquarz oder mit einem externen Oszillator bis 40 MHz. Erste
Erfahrungen haben gezeigt, dass es teilweise Probleme mit dem
Anschwingen des Uhrenquarzes geben kann. Deshalb wird hier ein externer
Oszillator aufgebaut. Das Datenblatt weist darauf hin, dass damit eine
bessere Abstimmung möglich ist, weil der externe Oszillator
unempfindlicher gegen Phasenjitter ist. Außerdem hat man so einen
Vorteil in Mikrocontroller-Systemen, die ohnehin einen Quarz verwenden.
In der Wahl der Frequenz ist man weitgehend frei, weil interne Teiler
die Taktfrequenz in den Bereich um 32 kHz bringen. Hier wurde ein
Transistor-Oszillator für 3,3 V und 4 MHz aufgebaut.
|

(Schaltplan Update 23.12.09: Pin 6 (SEN) an GND)
|
Der geänderte Aufbau zeigt auch
den Anschluss einer AM-Antenne. Die Spule L kann z.B. eine
Mittelwellenspule auf einem Ferritstab sein. Im Test wurde eine
Festinduktivität von 10 µH eingesetzt, was für den
Kurzwellenbereich gut passt. DW auf 6075 kHz kann damit bereits mit
einem 10 cm langen Antennenstummel empfangen werden.
|
Private Sub Xtal() Prop &H202, 125 '4 MHz / 125 = 32 kHz Prop &H201, 32000 DELAY 100 End Sub
Private Sub Prop(Adr, Data) i2cStart i2cOut 34 i2cOut &H12 i2cOut &H0 i2cOut Adr \ 256 i2cOut Adr And 255 i2cOut Data \ 256 i2cOut Data And 255 i2cStop End Sub
Private Sub Command1_Click() TIMEINIT TXD 1 DELAY 200 i2cStop DELAY 10 TXD 0 DELAY 200 i2cStart R = i2cOut(34) 'Bus-Adresse PCF8574 i2cOut (&H1) '01 i2cOut (&H0) '0 UKW, ext. Osz. i2cOut (&H5) '01 i2cStop DELAY 250 Xtal DELAY 50 End Sub
|
Die Software wurde für den
externen Oszillator von 4 MHz angepasst. Dazu wird der Vorteiler auf
125 eingestellt, die Quarzfrequenz also intern auf 32,000 kHz
heruntergeteilt. Außerdem teilt man dem IC mit, dass es nun mit
32,000 kHz arbeiten soll.
Download der 4-MHz-Version: SI4735Test2.zip (43 KB neu 30.3.09)
|
|