| Start
Experimente
- Röhre EF95
- Verstärker
- Zwei Stufen
- Stereo
- KW-Audion
- 6SH1P
- 2SH27L
- RT100
- Schaltregler
- EF98-Audion
- RT25 - Schmitt-Trigger - Röhre 6K4P - Theremin - Drehkotipps
Grundlagen
Produkte
Neues
Impressum
|
Einstufiger NF-Verstärker

| Im ersten Versuch wird eigentlich
nur eine Röhre verwendet. Die zweite Röhre wird aber schon mit
beheizt, damit eine Spannung von 12 V verwendet werden kann. Die zweite
Röhre bildet sozusagen nur den Vorwiderstand für die Heizung
der Verstärkerröhre. |

| Ein NF-Verstärker mit einer Röhre ist mit
einer Transistorstufe in Emitterschaltung vergleichbar. Die Kathode entspricht
dem Emitter, das Steuergitter der Basis und die Anode dem Kollektor. Allerdings
braucht das Gitter anders als die Basis eine negative Vorspannung. Der
Gitterwiderstand liegt deshalb an Masse. Die Pentode hat aber noch zwei
Gitter mehr. Das Schirmgitter (g2) muss an die Betriebsspannung gelegt
werden. Das Bremsgitter (g3) ist bereits intern mit der Kathode verbunden. |

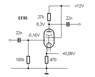
| Nach kurzer Anheizzeit kann man mit dem Voltmeter
die Spannungen an der Röhre messen. Am Kathodenwiderstand liegt eine
Spannung von 80 mV. Man kann leicht den Kathodenstrom berechnen (80 mV/470
Ohm=170 µA). Am Gitter findet man -160 mV, es fließt also ein
Gitterstrom von 1,6 µA. Am Anodenwiderstand liegt eine Spannung von
12 V-8,3 V=3,7 V. Daraus ergibt sich ein Anodenstrom von 137 µA.
Alle Ströme fließen durch die Kathode. Man kann also ohne zusätzliche
Messung ausrechnen, dass der Schirmgitterstrom 31,4 µA beträgt.
Übrigens könnte man den Kathodenwiderstand auch einfach weglassen.
Der größere Teil der Gittervorspannung entsteht durch den Gitterstrom,
nur der kleinere als Spannungsabfall im Kathodenwiderstand. Allgemein gilt:
Bei kleiner Anodenspannung darf die Kathode direkt an Masse liegen, da
die erforderliche Gitterspannung so klein ist, dass ohnehin noch Gitterstrom
fließt. Erst ab etwa -1 V ist das Steuergitter völlig stromfrei.
Soweit die Gleichstromverhältnisse. Nun aber wird ein Sinusgenerator
angeschlossen. Die Gitterspannung moduliert den Anodenstrom. Als Spannungsabfall
am Anodenwiderstand findet man dann die verstärkte Ausgangsspannung.
|

| Das Oszillogramm der Eingangs- und Ausgangsspannung
zeigt eine Spannungsverstärkung von ca. V=5. Daraus ergibt sich eine
Steilheit der Röhre von ca. S= 0,18 mA/V. (V=S*Ra). Die Steilheit
ist in weiten Grenzen vom Arbeitspunkt der Röhre abhängig. Wenn
man mehr Anodenstrom und mehr Steilheit benötigt, muss man die Gitterspannung
positiver machen.
Außerdem erkennt man, dass die Verstärkerstufe die Phase
umkehrt. Eine höhere Gitterspannung bedeutet mehr Anodenstrom, einen
größeren Spannungsabfall am Anodenwiderstand und damit eine
kleinere Anodenspannung.
|
weiter
zurück
|