| Start
Experimente
- Röhre EF95
- Verstärker
- Zwei Stufen
- Stereo
- KW-Audion
- 6SH1P
- 2SH27L
- RT100
- Schaltregler
- EF98-Audion
- RT25
- Schmitt-Trigger - Röhre 6K4P - Theremin - Drehkotipps
Grundlagen
Produkte
Neues
Impressum
|
Schmitt-Trigger mit der E90CC

|
Eine Frage
kam per Email zu AK-Modul-Bus:
Ich möchte einen Schmitt-Trigger mit Röhren bauen. Er soll mit einer einfachen
Fototransistor-Schaltung zusammenarbeiten. Mit Schmitt-Trigger aus zwei
Transistoren geht’s bestens. Röhren-Schmitt-Trigger also nur aus aufkommender
Freude an Röhren. Und da ich gern am Leben bleiben möchte, sollten die Röhren
unter 40 Volt zu betreiben sein. Können Sie mir mit einfachem Schaltplan und
Material behilflich sein? Im Internet ist trotz stundenlanger Suche über zwei
Tage nichts über einen Röhren-Schmitt-Trigger zu finden. Es muss was geben, da
Herr Schmitt diesen Trigger zu einer halbleiterlosen Zeit erfunden hat.
Die Idee ist gut und lässt gleich an die E90CC denken, die
gerade für solche digitalen Aufgaben entwickelt wurde. Hier die klassische Schaltung
des Schmitt-Triggers mit zwei Trioden. Üblicherweise hat man mit Spannungen ab
100 V gearbeitet.
|

|
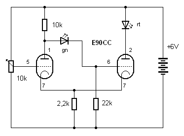
Eine E90CC arbeitet im Prinzip auch mit sehr kleiner
Anodenspannung. Es waren aber einige Versuche nötig, bis alles auch bei 6 V
funktionierte. Ein wichtiger Trick war, einen der Widerstände im
Spannungsteiler zwischen den Trioden durch eine grüne LED zu ersetzten, eine
Z-Diode mit ca. 2 V hätte die gleiche Wirkung. Die ganze Schaltung musste
relativ niederohmig ausgeführt werden. Und statt eines Relais am Ausgang wurde
eine Anzeige-LED verwendet.
|

|
Jetzt funktioniert alles wie gewünscht: Dreht man die
Eingangsspannung langsam hoch, geht die LED plötzlich aus. Man muss dann etwas
weiter wieder zurückdrehen, damit sie wieder angeht. Zwischen den Schaltpunkten
befindet sich eine kleine Lücke, die so genannte Hysterese.
|

zurück
|