Start
Experimente
Grundlagen
- Messtechnik
- - Messbereiche
- - Amperemeter
- - Ohmmeter
- - Messfehler
- - Messgleichr.
- - Logarithmierer
- - Messbrücken
Produkte
Neues
Impressum
|

Messtechnik 1
Messbereichserweiterungen beim Voltmeter
Ein beliebiges Drehspul-Messwerk kann durch geeignete
Zuschaltung von Widerständen als Voltmeter oder als Amperemeter eingesetzt
werden. In Vielfachmessgeräten schaltet man Messbereiche um, indem
man entsprechende Widerstände umschaltet. Prinzipiell muss für
ein Voltmeter ein Widerstand in Reihe geschaltet werden. Je größer
der Widerstand, desto höher der Messbereich. Umgekehrt muss für
die Bereichserweiterung eines Amperemeters ein kleiner Widerstand parallelgeschaltet
werden. |
Ein typisches Messwerk hat z.B. einen Endausschlag
bei 100 µA. Der Innenwiderstand beträgt z.B. 1000 Ohm. Ohne
einen Vorwiderstand wird daher der Endausschlag bei einer Spannung von
100 mV erreicht. Das Messwerk ohne zusätzlichen Widerstand bezeichnet
man auch als Galvanometer. Man kann es bereits als empfindliches Amperemeter
oder Voltmeter einsetzen.

|

Ein Messwerk als empfindliches Galvanometer
Von einem guten Voltmeter verlangt man einen großen
Innenwiderstand, damit Messwerte nicht übermäßig verfälscht
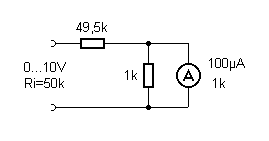
werden. Für eine Messbereichserweiterung auf 10 V muss der Gesamtwiderstand
für eine Messwerk mit 100 µA Vollausschlag 100 kOhm betragen.

Da der Innenwiderstand des Messwerks in Reihe mit dem Messwiderstand
liegt, muss dieser nur 99 kOhm haben.

|

Allgemein ist es günstig, wenn ein Voltmeter
einen möglichst großen Innenwiderstand besitzt. Der erreichbare
Wert hängt von der Empfindlichkeit des Messwerks ab. Bei einem einfachen
Messwerk mit einem Bereich von 1 mA wird sich für den Messbereich
10 V nur ein Innenwiderstand von 10 kOhm ergeben, beim Messbereich 25 V
der Innenwiderstand 25 kOhm usw. Allgemein gibt man den Innenwiderstand
in diesem Fall mit 1 kOhm/V an, jeweils bezogen auf den Endausschlag eines
Messbereichs.
In guten Voltmetern findet man außer dem Reihenwiderstand in den
meisten Fällen auch noch einen zweiten Widerstand, der parallel zum
Messwerk geschaltet ist und damit praktisch die eigentliche Empfindlichkeit
des Messwerks verringert. Dieser Parallelwiderstand dient der Dämpfung
des Messwerks. Ein ungedämpftes Messwerk erschwert das genaue und
schnelle Ablesen eines Messwerts nach jeder Änderung der Spannung
durch Überschwingen und langes Ausschwingen des Zeigers. Mit einem
Parallelwiderstand ergibt sich eine elektromagnetische Dämpfung des
Messwerks. Die mechanisches Energie des schwingfähigen Systems aus
Rückstellfeder und Zeigermasse wird durch Induktion in elektrische
Energie überführt und im Parallelwiderstand vernichtet. Die Dämpfung
darf nicht zu groß werden, damit sich der Zeiger noch angemessen
schnell auf den Messwert einstellt. Für jedes Messwerk lässt
sich ein optimaler Dämpfungswiderstand bestimmen.
|

Voltmeter mit Dämpfungswiderstand
Moderne Voltmeter bieten oft einen höheren Innenwiderstand
von z.B. 10 MOhm. Dies ist nur mit zusätzlichen Verstärkern zu
erreichen. Ein Messverstärker kann z.B. mit einem Operationsverstärker
aufgebaut werden. Für spezielle Anwendungen kann man mit CMOS-OPVs
fast unendliche Innenwiderstände erreichen. Diese Verstärker
sollen allerdings nie mit offenem Eingang betrieben werden, weil sie dann
irgendeine zufällige Spannung auch über der Messbereichsgrenze
anzeigen können. |

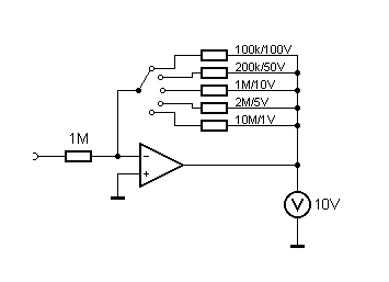
OPV als Messverstärker
Ein Messgerät für den allgemeinen Einsatz
im Labor sollte einen gewissen Eingangswiderstand besitzen, weil damit
gesichert wird, dass bei offenen Eingängen die Spannung Null angezeigt
wird. Mit einem Operationsverstärker lässt sich erreichen, dass
bei unterschiedlichen Eingangsbereichen immer derselbe Eingangswiderstand
vorliegt. Man schaltet dazu Widerstände im Gegenkoppelzweig um. Es
muss beachtet werden, dass der Verstärker die Spannung invertiert.
Der OPV muss mit einer bipolaren Stromversorgung betrieben werden. Die
Eingangsspannung des Messgeräts darf größer als die Betriebsspannung
werden, da in der gegengekoppelten Schaltung die Spannung am invertierenden
Eingang praktisch Null ist. Bei sehr empfindlichen Messbereichen muss die
Offsetspannung des OPV abgeglichen werden. |

Ein Messverstärker mit umschaltbaren Messbereichen

|