Start
Experimente
Grundlagen
- Messtechnik
- - Messbereiche
- - Amperemeter
- - Ohmmeter
- - Messfehler
- - Messgleichr.
- - Logarithmierer
- - Messbrücken
Produkte
Neues
Impressum
|

Messtechnik 6
Logarithmierer
Messgrößen, die über mehrere Dekaden
erfasst werden sollen, stellt man oft in einem logarithmischen Maßstab
dar und gibt sie in dB an. Üblich ist z.B. die Angabe von Pegeln in
dBm. Die Definition des Dezibel als logarithmisches Maß führt
dazu, dass 10 dB eine Verzehnfachung der Leistung bedeuten und 20 dB eine
Verzehnfachung der Spannung. Auf einer Signalleitung können leicht
Pegelunterschiede von 100 dB und mehr auftreten. Deshalb verwendet man
oft Messgeräte mit logarithmischer Anzeige. Will man einen großen
Messumfang ohne Bereichsumschaltung erreichen, dann wird ein Logarithmierer
benötigt. Die folgende Liste zeigt mögliche Anwendungsbereiche:
- In der NF-Messtechnik sollen Pegel zwischen -80 dB und + 40 dB gemessen
werden.
- Die Messung von Lärmpegeln erfordert einen Bereich von ca. 30
dB(A) bis über 120 dB(A). Der Bezugspegel ist dabei die Empfindlichkeitsgrenze
des menschlichen Ohrs.
- Die Messung von Beleuchtungspegeln erfordert einen Umfang von 1 Lux
bis über 100000 Lux, der Helligkeit der Sonne. Der Umfang beträgt
100 dB.
- Die Messung von Leitfähigkeiten z.B. zur Bestimmung des Feuchtigkeitsgehalts
in Holz erfordert die Bestimmung von Widerständen im Bereich zwischen
10 kOhm bis ca. 10 GOhm, also einen Umfang von ca. 120 dB.
Ein Logarithmierer hat die Aufgabe, einen großen Bereich der Eingangsgröße
logarithmisch am Ausgang abzubilden. Jede Vergrößerung der Eingangsspannung
um den Faktor 10 soll z.B. zu einer Erhöhung der Ausgangsspannung
um 1 V führen. Ein Unterschied von 3 V am Ausgang bedeutet damit einen
Pegelunterschied von 60 dB.
|
Ein Logarithmierer nutzt meist die Tatsache aus,
dass die normale Diodenkennlinie über weite Bereiche einen streng
exponentiellen Verlauf hat. Die Diodenspannung verhält sich damit
wie der Logarithmus des Verhältnisses der Diodenströme.
Der logarithmische Verlauf der Kennlinie wird bei sehr kleinen Strömen
durch Leckströme verfälscht, bei sehr großen Strömen
durch den Bahnwiderstand der Diode. Außerdem ist die Diodenspannung
stark temperaturabhängig. Bei konstanter Temperatur kann man von einem
Umfang von bis zu 6 Dekaden, also 120 dB ausgehen.
Eine praktische Schaltung verwendet die Diode im Gegenkoppelzweig eines
OPV. Die Eingangsgröße kann dann je nach Anwendungsfall ein
Strom oder eine Spannung sein.
|

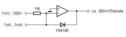
Ein einfacher Logarithmierer
Die Ausgangsspannung der Schaltung ändert sich
um ca. 60 mV, wenn der Eingangsstrom sich verzehnfacht (+ 20 dB). Die Schaltung
weist bei Temperaturänderungen große Fehler auf. Eine Erhöhung
der Temperatur um 1 °C verändert die Ausgangsspannung um etwa
2 mV. Damit entspricht eine Temperaturänderung von 15 °C einem
Messfehler von 10 dB. Der Fehler lässt sich größtenteils
durch eine zweite Diode kompensieren, deren Durchlassspannung bei weitgehend
konstantem Diodenstrom von der Ausgangsspannung subtrahiert wird. |

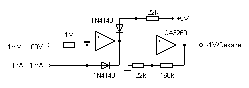
Temperaturkompensation mit einer zweiten Diode
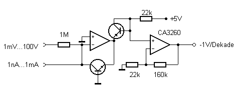
Die Transistorkennlinie UBE/IC ist wie eine Diodenkennlinie
über weite Bereiche streng logarithmisch. Setzt man statt Dioden Transistoren
ein, dann ist die Genauigkeit der Schaltung noch wesentlich besser. Die
Temperaturkompensation erfolgt über einen zweiten Transistor. |

Ein Logarithmierer auf der Basis von Transistoren

|