Start
Experimente
Grundlagen
- Messtechnik
- - Messbereiche
- - Amperemeter
- - Ohmmeter
- - Messfehler
- - Messgleichr.
- - Logarithmierer
- - Messbrücken
Produkte
Neues
Impressum
|

Messtechnik 4
Messfehler
Nach dem bekannten Grundsatz "Wer misst, misst
Mist." führt jede Messung zu einer gewissen Beeinflussung des
Messobjekts. Abgesehen von den ohnehin vorhandenen Messungenauigkeiten
von etwa 1% für gute Analogmultimeter bis 0,1% für Digitalmultimeter
führt der Einsatz eines Messgeräts immer zu einer Veränderung
von Messwerten in einer bestehenden Schaltung. Sie können von Fall
zu Fall unterschiedlich ausfallen. Man muss daher die möglichen Einflüsse
kennen und abschätzen können.
Bei einer Spannungsmessung führt der unvermeidliche Messstrom zu
einer Verringerung der Messspannung in Abhängigkeit vom Innenwiderstand
des Messobjekts. Misst man die Leerlaufspannung einer Flachbatterie (Ri
ca. 10 Ohm) mit einem einfachen Voltmeter mit einem Innenwiderstand von
100 kOhm, dann ist kein gravierender Messfehler zu befürchten. Betrachtet
man die Reihenschaltung aus den Innenwiderständen des Messobjekts
und des Messgeräts, dann lässt sich ein zu vernachlässigender
Spannungsverlust von 0,01% abschätzen.
|

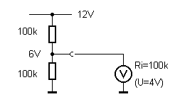
Beeinflussung der Messspannung durch Innenwiderstände
Anders liegen die Verhältnisse, wenn man hochohmige
Spannungsquellen messen will. Bei der Messung an einem Spannungsteiler
in einer Transistorschaltung hat das Messobjekt einen hohen Innenwiderstand
von z.B. 50 kOhm. Ein Innenwiderstand von 100 kOhm des Messgeräts
führt dabei zu einem erheblichen Messfehler von 33%. Allgemein lässt
sich der Messfehler nach den Gesetzen der Reihenschaltung bestimmen.
Daraus folgt, dass man einen möglichst großen Innenwiderstand
des Messgeräts anstreben sollte. Aber auch ein Innenwiderstand von
10 MOhm, wie er bei Digitalmultimetern üblich ist, macht eine Fehlerbetrachtung
nicht überflüssig. Es muss immer überlegt werden, welchen
Innenwiderstand das Messobjekt besitzt. Vielfach ist ein Messfehler durch
Belastung mit dem Messgerät nicht vermeidbar. Das ist immer dann problemlos,
wenn der Messfehler bewußt bleibt. In speziellen Fällen kann
man den Fehler durch den Einsatz eines extrem hochohmigen Verstärkers
reduzieren.
|
Auch ein Oszilloskop lässt sich zur Spannungsmessung
einsetzen, wobei neben der Höhe der Spannung zugleich weitere Informationen
wie überlagertes Rauschen oder Brummspannungen usw. geliefert werden.
Der Eingangswiderstand beträgt im allgemeinen 1 MOhm. Mit einer Vorteiler-Tastspitze
mit dem Teilerverhältnis 1:10 erhält man einen Innenwiderstand
von 10 MOhm. Dieser hohe Widerstand muss in vielen Fällen bedacht
werden, weil er an hochohmigen Messpunkten ebenfalls zu Messfehlern führt.
Die genaue Kenntnis des Innenwiderstands eines Oszilloskops kann eingesetzt
werden, um sehr einfach den Innenwiderstand eines Messobjekts abzuschätzen.
Man benötigt dazu eine hochohmige Signalquelle. Dabei kann es sich
einfach um den eigenen Finger handeln, der an einer hochohmigen Tastspitze
in normaler Laborumgebung eine 50-Hz-Brummspannung zwischen 10 V und 100
V liefert. Diese Störspannung hat ihre Ursache in Kapazitäten
zwischen Körper und dem umgebenden Lichtnetz. Berührt man mit
der Messspitze gleichzeitig ein Messobjekt, dann kann aus dem Zusammenbrechen
der Signalspannung auf die Impedanz des Messobjekts geschlossen werden.
Auf diese Weide verraten sich z.B. nicht belegte Anschlüsse an einem
Kabel. Hat ein Messobjekt den gleichen Innenwiderstand wie das Oszilloskop,
dann bricht die Signalspannung etwa auf die Hälfte zusammen.
|

Impedanzmessung nach der "Fingermethode"

|