Start
Experimente
Grundlagen
- Messtechnik
- - Messbereiche
- - Amperemeter
- - Ohmmeter
- - Messfehler
- - Messgleichr.
- - Logarithmierer
- - Messbrücken
Produkte
Neues
Impressum
|
 
Messtechnik 3
Das Ohmmeter
Einfache
Vielfachmessgeräte bieten meist auch
einen oder mehrere Widerstands-Messbereiche. Für diesen Zwecke
benötigen
sie eine Batterie, die oft für alle anderen Messbereiche ohne Funktion
ist. Die Widerstandsmessung beruht im Prinzip auf einer Strommessung
bei
konstanter Spannung. Die Widerstandsanzeige ist daher nicht linear. Der
Endausschlag bei null Ohm muss mit einem Potentiometer abgeglichen
werden,
um die unterschiedliche Batteriespannung auszugleichen. Am anderen Ende
der Skala reicht die Messung in jedem Bereich bis Unendlich. |

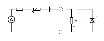
Prinzipschaltung eines Ohmmeters
Die übliche Beschaltung
einfacher Analog-Multimeter
bringt es mit sich, dass die Spannung an den Anschlussklemmen im
Ohmmessbereich
anders gepolt ist als die Bezeichnungen der Anschlüsse für Strom-
und Spannungsmessungen. Am Minusanschluss des Vielfachmessgeräts liegt
also der Pluspol des Ohmmeters. Dies ist zu beachten, wenn man ein
Ohmmeter
zur Überprüfung von Dioden oder Transistoren verwenden will.
Mit etwas Übung lassen sich mit einem einfachen Ohmmeter nicht nur
Widerstände, sondern auch Transistoren, Dioden, Kondensatoren und
viele andere Bauelemente überprüfen.
Bei der Messung an Diodenstrecken muss bewusst
bleiben, dass einer Sperrschicht
kein konstanter Widerstand zugeordnet werden kann, sondern dass der
Gleichstromwiderstand
vom Messstrom abhängt. Der angezeigte Wert hängt vom Messstrom
und damit vom gewählten Messbereich ab. Trotzdem lassen sich Aussagen
über die gemessene Diodenstrecke machen. Beobachtet man bei einem
Ohmmeter mit einer internen Spannung von 1,5 V einen Zeigerausschalg
von
etwa der Hälfte der Skala, dann muss der Spannungsabfall am Messobjekt
etwa 0,75 V betragen. Der Ausschlag ändert sich wegen der
exponentiellen
Kennlinie einer Diode nur geringfügig mit einer Bereichsumschaltung.
Es wird daher in jedem Messbereich ein anderer Widerstand angezeigt,
der
Zeigerausschlag ist dagegen ähnlich, da der Spannungsabfall immer
um 0,6 V beträgt. Die Diodenspannung lässt Rückschlüsse
auf den Diodentyp, hier auf eine Si-Diode zu.
|

Gleichstromwiderstand einer Si-Diode bei verschiedenen Messströmen
Mit einer Schottkydiode
erhält man dagegen nur
etwa den halben Spannungsabfall, also einen geringeren angezeigten
Widerstand.
Eine Ge-Diode zeigt bei kleinen Messströmen einen ähnlich kleinen
Innenwiderstand, bei größeren Strömen, also kleineren Ohmbereichen,
zeigt sich jedoch ihr größerer Bahnwiderstand.
Bei der Prüfung eines Transistors lassen sich nur
mit einem Ohmmeter
verschiedene Aussagen über den Typ und den Zustand des Messobjekts
machen. Auch für einen völlig unbekannten Transistor lässt
sich so die Anschlussbelegung herausfinden. Mit drei typischen
Messungen
lässt sich ein Transistor vollständig prüfen. Zunächst
werden die Basis-Emitter- und die Basis-Kollektordiode gemessen, womit
sich bereits Si- und Ge-Transistoren unterscheiden lassen und mögliche
Kurzschlüsse verraten. Danach misst man den Widerstand zwischen Emitter
und Kollektor ohne und mit Basisstrom. Bei offener Basis zeigt ein
intakter
Transistor keinen Strom, also einen unendlichen Widerstand. Bei
leitender
Verbindung der Basis mit dem Kollektor muss sich ein etwas größerer
Strom zeigen als bei der Basis-Emitterdiode allein.
|

Messungen an einem Transistor
Der letzte Test sollte
mit einem kleinen Basisstrom
über einen Basis-Kollektorwiderstand durchgeführt werden. Den
Basisstrom kann man auch durch Berühren von Kollektor und Basis mit
dem angefeuchteten Finger bekommen. Der erzielte Ausschlag am Ohmmeter
vermittelt einen groben Eindruck von der Stromverstärkung des
Transistors.
Auch bei vertauschtem Emitter und Kollektor zeigt sich noch eine
geringe
Stromverstärkung, so dass man den Transistor im Zweifelsfall noch
einmal umdrehen sollte, wenn die Anschlüsse nicht sicher bekannt sind.
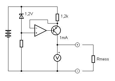
Digitalvoltmeter verwenden meist eine völlig
andere Innenschaltung
im Ohmbereich. Hier beruht die Widerstandsmessung auf einer Messung des
Spannungsabfalls bei konstantem Strom. Damit ergibt sich eine lineare
Anzeige
und eine eindeutige Messbereichsgrenze. Ein Abgleich des Nullpunkts ist
hier nicht erforderlich. Ein weiterer Unterschied gegenüber
Zeigerinstrumenten
ist, dass die Polung bei Spannungs- und Strommessung der im Ohmbereich
entspricht.
|

Prinzip der Widerstandsmessung mit einer
Konstantstromquelle

|