Start
Experimente
Grundlagen
- Messtechnik
- - Messbereiche
- - Amperemeter
- - Ohmmeter
- - Messfehler
- - Messgleichr.
- - Logarithmierer
- - Messbrücken
Produkte
Neues
Impressum
|

Messtechnik 7
Messbrücken
Oft ist es erforderlich, Messgrößen zu
vergleichen oder nur sehr kleine Änderungen einer Messgröße
zu beobachten. Messbrücken bestehen aus zwei Spannungsteilern, deren
Differenzspannung gemessen oder ausgewertet wird. Die Prinzipschaltung
verwendet ein empfindliches Voltmeter zur Messung der Brückenspannung.
Mit dem Potentiometer R2 kann die Brückenspannung auf Null abgeglichen
werden. |

Die Brückenschaltung
Verwendet man ein lineares Potentiometer mit einer
ablesbaren Skala, dann kann nun direkt das Verhältnis der Widerstände
Rx/R1 bestimmt werden. Da die Brücke auf Null abgeglichen wurde und
kein Brückenstrom fließt, wird das Messergebnis nicht durch
das Messgerät verfälscht. Messbrücken wurden früher
oft zur Bestimmung von Widerständen oder Spannungen verwendet, weil
damit genaue Messungen mit einfachen Messgeräten möglich waren.
Mit modernen, hochohmigen Messgeräten kommt man auch ohne sie aus.
Ein immer noch aktueller Anwendungsfall ist die Messung sehr kleiner
Änderungen am Messobjekt Rx. Mit einem entsprechend kleinen Messbereich
des Voltmeters kann in einer abgeglichenen Messbrücke eine Änderung
von z.B. weniger als einem Prozent auf den gesamten Messbereich gespreizt
werden. So lässt sich z.B. die kleine Widerstandsänderung eines
Dehnungsmessstreifens (DMS) auswerten. Dabei handelt es sich um einen Dünnfilm-Metallschichtwiderstand,
der durch Dehnungskräfte geringfügig verlängert und damit
hochohmiger wird. Oft werden DMS gleich in Brückenschaltung aus vier
Einzelwiderständen des gleichen Materials gefertigt. Damit heben sich
z.B. Temperaturabhängigkeiten auf. Hier eine typische DMS-Brückenschaltung
mit einem OPV.
|

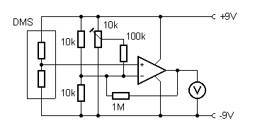
Ein DMS-Brückenverstärker
Die Verstärkerschaltung verwendet einen Gegenkoppelwiderstand
von 1 MOhm zur Festlegung der Verstärkung. Der Trimmer ermöglicht
einen Feinabgleich der Brücke und erlaubt damit das Verschieben des
Nullpunkts. Die Schaltung kann mit kleinen Änderungen für zahlreiche
Fälle angewandt werden, in denen ein kleines Differenzsignal verstärkt
werden muss.
Messbrücken lassen sich auch mit Wechselspannungen einsetzen, um
z.B. Kapazitäten oder Induktivitäten zu bestimmen. Arbeitet man
mit niedrigen Frequenzen, kann statt eines Messgeräts auch ein Kopfhörer
zum Nullabgleich eingesetzt werden. Grundsätzlich sollte der unbekannte
Kondensator Cx eine Kapazität in der gleichen Größenordnung
wie C1 besitzen. Das Verhältnis der Teilwiderstände von R1 entspricht
bei abgeglichenem Nullpunkt dem umgekehrten Verhältnis Rx/R1, da der
größere Spannungsabfall am kleineren Kondensator liegt.
|

Messbrücke zur Bestimmung eines unbekannten Kondensators
In ähnlicher Weise lassen sich auch Induktivitäten
vergleichen. Die Frequenz des Messsignals sollte etwa der geplanten Einsatzfrequenz
der Spule entsprechen, da die Induktivität z.B. wegen parasitärer
Kapazitäten frequenzabhängig sein kann.
Mit Hochfrequenz-Messbrücken lassen sich auch komplexe Widerstände
mit einem Realanteil (ohmscher Widerstand) und einem Imaginäranteil
(induktiver oder kapazitiver Widerstand ) bestimmen. Beide Anteile müssen
getrennt abgeglichen werden, wobei abwechselnd der Realanteil und der Imaginäranteil
auf kleinste Brückenspannung eingestellt wird. Das Schaltbild zeigt
den prinzipiellen Aufbau. Die Brückenspannung kann z.B. mit einem
Messempfänger beobachtet und auf kleinsten Signalpegel abgeglichen
werden.
|

Eine HF-Messbrücke

|